Rysunkitechniczne dla BTC Ceo Champagne
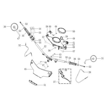
Kliknijtutaj na rysunkach technicznych lub rozstrzelonym widoku BTC Ceo Champagne, dla ktĂłrego szukasz czÄĆci lub akcesoriĂłw. Rysunki techniczne BTC Ceo Champagne dajÄ jasny przeglÄ d rĂłĆŒnych pasujÄ cych czÄĆci i akcesoriĂłw. SzukajÄ c swoich czÄĆci, zawsze masz odpowiednie czÄĆci do swojego BTC Ceo Champagne.


