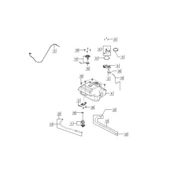
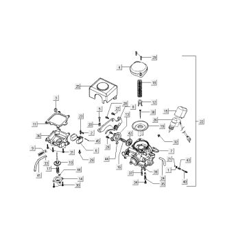
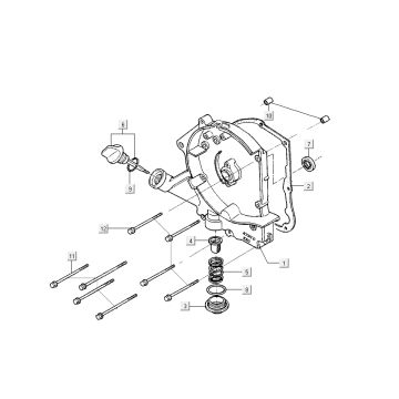
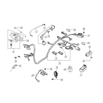
Rysunkitechniczne dla Kymco Sento 4-suwowy brązowy
Kliknijtutaj na rysunki techniczne lub widok rozstrzelony Kymco Sento 4-suwowy brązowy, do którego szukasz części lub akcesoriów. Rysunki techniczne 4-suwowego brązu Kymco Sento dają jasny przegląd różnych pasujących części i akcesoriów. Wyszukując swoje części, zawsze masz odpowiednie części do swojego 4-suwowego brązu Kymco Sento.


