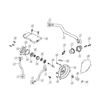
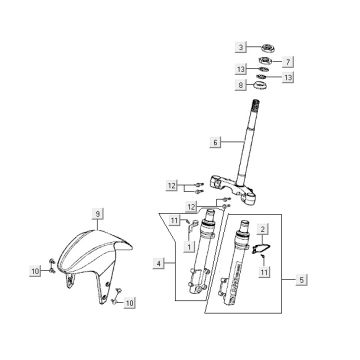
Rysunkitechniczne dla Kymco Super9 2t lc o.m matowy czarno-żółty
Kliknijtutaj na rysunkach technicznych lub rozstrzelonym widoku Kymco Super9 2t lc o.m matowy czarno-żółty, dla którego szukasz części lub akcesoriów. Rysunki techniczne Kymco Super9 2t lc między innymi matowy czarno-żółty dają jasny przegląd różnych pasujących części i akcesoriów. Szukając swoich części, zawsze masz odpowiednie części do swojego Kymco Super9 2t lc o.m. matowy czarno-żółty.


