Rysunkitechniczne Edwards Maple V50-2 brązowy
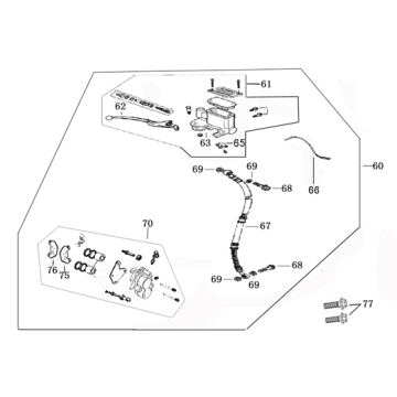
Kliknijtutaj na rysunkach technicznych lub widoku rozstrzelonym brązowego skutera Edwards Maple V50-2, do którego szukasz części lub akcesoriów. Rysunki techniczne Edwards Maple V50-2 brown dają jasny przegląd różnych pasujących części i akcesoriów. Wyszukując swoje części, zawsze masz odpowiednie części do swojego Edwards Maple V50-2 brązowy.


