Rysunkitechniczne Berini Bella Milano blue cream
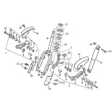
Kliknijtutaj na rysunkach technicznych lub rozstrzelonym widoku niebieskiego kremowego skutera Berini Bella Milano, do ktĂłrego szukasz czÄĆci lub akcesoriĂłw. Rysunki techniczne niebieskiego kremu Berini Bella Milano dajÄ jasny przeglÄ d rĂłĆŒnych pasujÄ cych czÄĆci i akcesoriĂłw. SzukajÄ c swoich czÄĆci, zawsze masz pasujÄ ce czÄĆci do swojego niebieskiego kremu Berini Bella Milano.


