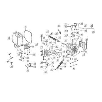
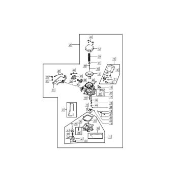
Rysunkitechniczne dla Kymco Agility RS 4-suwowy biały 09
Kliknijtutaj na rysunkach technicznych lub widoku rozstrzelonym Kymco Agility RS 4-suwowy biały 09, do którego szukasz części lub akcesoriów. Rysunki techniczne Kymco Agility RS 4-suwowy biały 09 dają jasny przegląd różnych pasujących części i akcesoriów. Szukając swoich części, zawsze masz odpowiednie części do Kymco Agility RS 4-suwowy biały 09.


