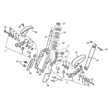
Rysunkitechniczne kremu Turbho RG50
Kliknijtutaj rysunki techniczne lub widok rozstrzelony skutera kremowego Turbho RG50, do ktĂłrego szukasz czÄĆci lub akcesoriĂłw. Rysunki techniczne kremu Turbho RG50 dajÄ jasny przeglÄ d rĂłĆŒnych pasujÄ cych czÄĆci i akcesoriĂłw. SzukajÄ c swoich czÄĆci, zawsze masz odpowiednie czÄĆci do kremu Turbho RG50.
SkuterThurbo RG50
ThurboRG50 4-suwowy ma klasyczny wyglÄ d. Retro jest wyposaĆŒony w silnik GY6, dziÄki czemu nadaje siÄ do tankowania Euro 95. DziÄki zastosowaniu duĆŒych chromowanych czÄĆci i szerokiej kierownicy, retro charakter tego skutera jest jeszcze bardziej podkreĆlony! Thurbo RG50 jest szeroko sprzedawany i gĆĂłwnie do celĂłw rekreacyjnych. To bardzo fajny âzabawnyâ skuter!
CzÄĆcii kolory
Tentyp wystÄpuje w wielu rĂłĆŒnych kolorach. Kolory, ktĂłre sÄ nam znane:
âąCzarny
âąBiaĆy
âąJasnoniebieski
âąSmokey
âąAntracyt
Niejest to jednak gwarancja, ĆŒe zamawiajÄ c nowÄ czÄĆÄ okapu w tym samym kolorze, bÄdzie ona dokĆadnie tego samego koloru co pokrowce na skuterze. Kolor moĆŒe czasem byÄ nieco inny.
CzÄĆciza pomocÄ rysunku technicznego dla Thurbo RG50.
Dokonserwacji Thurbo RG50 bardzo waĆŒne jest, aby uĆŒywaÄ dobrze dopasowanych czÄĆci, co zapobiega niepotrzebnemu zuĆŒyciu i pozwala zaoszczÄdziÄ wiele niepotrzebnych kosztĂłw. PowyĆŒej moĆŒna zobaczyÄ modele typu Retro, ktĂłrych mamy rysunki techniczne. Najpierw wybierz model, a nastÄpnie spĂłjrz na rysunek, ktĂłry Twoim zdaniem potrzebujesz. JeĆli szukasz czÄĆci w ten sposĂłb, zawsze masz gwarancjÄ dopasowania czÄĆci i akcesoriĂłw do Twojego Thurbo RG50.


