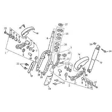
Rysunkitechniczne Turbho RG50 biały czarny
Kliknijtutaj na rysunkach technicznych lub rozstrzelonym widoku skutera Turbho RG50 biały czarny, do którego szukasz części lub akcesoriów. Rysunki techniczne Turbho RG50 white black dają jasny przegląd różnych pasujących części i akcesoriów. Szukając swoich części, zawsze masz odpowiednie części do Turbho RG50 biały czarny.
SkuterThurbo RG50
ThurboRG50 4-suwowy ma klasyczny wygląd. Retro jest wyposażony w silnik GY6, dzięki czemu nadaje się do tankowania Euro 95. Dzięki zastosowaniu dużych chromowanych części i szerokiej kierownicy, retro charakter tego skutera jest jeszcze bardziej podkreślony! Thurbo RG50 jest szeroko sprzedawany i głównie do celów rekreacyjnych. To bardzo fajny „zabawny” skuter!
Częścii kolory
Tentyp występuje w wielu różnych kolorach. Kolory, które są nam znane:
•Czarny
•Biały
•Jasnoniebieski
•Smokey
•Antracyt
Niejest to jednak gwarancja, że zamawiając nową część okapu w tym samym kolorze, będzie ona dokładnie tego samego koloru co pokrowce na skuterze. Kolor może czasem być nieco inny.
Częściza pomocą rysunku technicznego dla Thurbo RG50.
Dokonserwacji Thurbo RG50 bardzo ważne jest, aby używać dobrze dopasowanych części, co zapobiega niepotrzebnemu zużyciu i pozwala zaoszczędzić wiele niepotrzebnych kosztów. Powyżej można zobaczyć modele typu Retro, których mamy rysunki techniczne. Najpierw wybierz model, a następnie spójrz na rysunek, który Twoim zdaniem potrzebujesz. Jeśli szukasz części w ten sposób, zawsze masz gwarancję dopasowania części i akcesoriów do Twojego Thurbo RG50.


