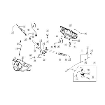
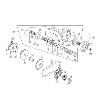
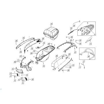
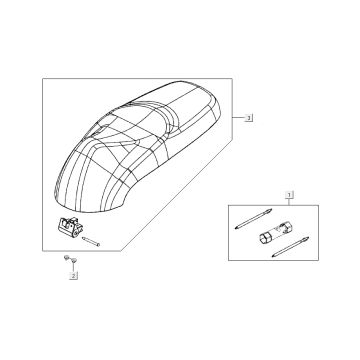
Rysunkitechniczne dla Kymco Like 4-suwowy diament biały
Kliknijtutaj rysunki techniczne lub widok rozstrzelony Kymco Like 4-suwowy diamentowy biały, do którego szukasz części lub akcesoriów. Rysunki techniczne 4-suwowej diamentowej bieli Kymco Like dają jasny przegląd różnych pasujących części i akcesoriów. Wyszukując swoje części, zawsze masz odpowiednie części do swojego Kymco Like 4-suwowy diamentowy biały.


