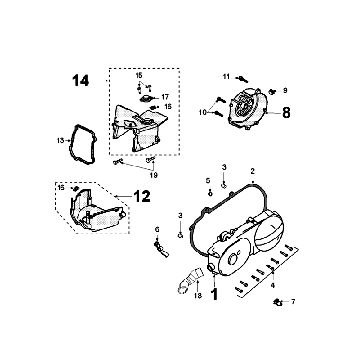
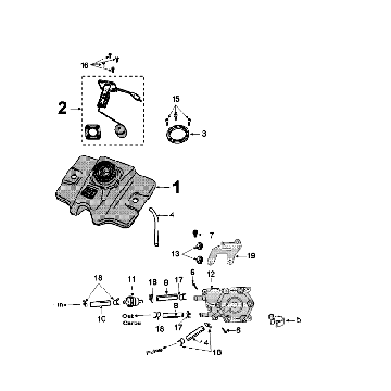
Rysunkitechniczne dla Peugeot Speedfight 4 4-suwowy czerwony/czarny
Kliknijtutaj na rysunkach technicznych lub widok rozstrzelony skutera Peugeot Speedfight 4 4-suwowy czerwony/czarny, do ktĂłrego szukasz czÄĆci lub akcesoriĂłw. Rysunki techniczne Peugeot Speedfight 4 4-suwowy czerwony/czarny dajÄ jasny przeglÄ d rĂłĆŒnych pasujÄ cych czÄĆci i akcesoriĂłw. WyszukujÄ c swoje czÄĆci, zawsze masz odpowiednie czÄĆci do swojego Peugeot Speedfight 4 4-suwowy Red Black.
            

