Częścizamienne i akcesoria do Peugeot V-clic
Kliknijtutaj na właściwej wersji skutera Peugeot V-clic, do którego szukasz części lub akcesoriów. Rysunki techniczne Peugeot V-clic dają jasny przegląd różnych pasujących części i akcesoriów. Oryginalne części Peugeot V-clic są oczywiście najlepiej dopasowane.
 
            Częścizamienne do Peugeot V-Clic 
PeugeotV-Clic to kompaktowy skuter miejski. V-Clic ma chłodzony powietrzem silnik czterosuwowy. Jego stosunkowo duża przestrzeń do przechowywania jest zaskakująca. Peugeot V-Clic jest ekonomiczny i sportowy.
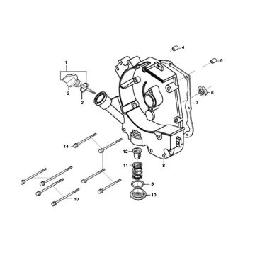
CzęściPeugeot V-Clic za pomocą rysunku technicznego
Abyoptymalnie utrzymać Peugeot V-Clic, od czasu do czasu potrzebujesz części. Powyżej mamy różne modele skuterów V-Clic, których mamy rysunki techniczne. Najpierw wybierz model, a następnie spójrz na rysunek, który Twoim zdaniem potrzebujesz. Jeśli szukasz części i akcesoriów za pomocą tych rysunków technicznych, zawsze masz gwarancję odpowiednich części do Twojego typu skutera Peugeot!
Częścii akcesoria
Dużaliczba części i akcesoriów jest dostępna dla wszystkich różnych typów skuterów Peugeot. Z tej strony możesz przejść do strony, na której wszystkie części są wygodnie umieszczone, ułożone według rodzaju skutera. W przypadku wszystkich części uniwersalnych możesz przeszukiwać kategorie lub użyć paska wyszukiwania w prawym górnym rogu. W mało prawdopodobnym przypadku, gdy nie możesz dowiedzieć się w wyszukiwaniu, zawsze możesz skontaktować się z nami telefonicznie lub e-mailem. Chętnie Ci pomożemy!



 
             
             
             
             
             
             
             
             
             
             
             
             
             
             
             
             
            