Rysunkitechniczne do SYM Symphony ST czarny
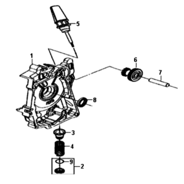
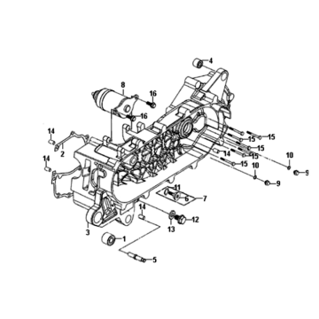
Kliknijtutaj na rysunkach technicznych lub rozstrzelonym widoku czarnej skutera SYM Symphony ST, do którego szukasz części lub akcesoriów. Rysunki techniczne SYM Symphony ST dają jasny przegląd różnych pasujących części i akcesoriów. Wyszukując swoje części, zawsze masz pasujące części do swojego SYM Symphony ST black.

SYFONIAMGS ST
Jakojedna z największych marek skuterów na świecie, SYM świetnie się sprzedaje dzięki Symphony ST. Symphony ST to przestronny, wygodny skuter turystyczny, który również bardzo dobrze steruje dzięki dużym kołom i przestronnym siedzeniu. Dla niezawodnego SYM Symphony ST, istnieje wiele akcesoriów, zużycie i części zamienne w magazynie w ZANDRI. Dostarczamy je w oryginalnej jakości fabrycznej, ale także w tańszych chińskich alternatywach. Część skutera na każdą kieszeń!
ZAPOMOCĄ RYSUNKÓW TECHNICZNYCH ŁATWO I SZYBKO DOSTAĆ SIĘ DO CZĘŚCI DO SYMFONII ŚW.
SYMSymphony ST jest wyposażony w ekonomiczny 4-suwowy silnik wtryskowy. Ten blok jest cichy, ale także potężny. Ta zaawansowana technologia sprawia, że Symphony ST jest prekursorem, który również okazuje się niezawodny. Ten nowoczesny skuter miejski jest również często używany do celów rekreacyjnych.
Natej stronie można wybierać spośród różnych SYM Symphony's ST. Te rysunki techniczne są obszerne i kompletne. Jeśli są jakieś pytania, zawsze możesz apkować, e-mail, czatuj lub zadzwoń do nas.
CZĘŚCIZAMIENNE LUB AKCESORIA DO SYM SYMPHONY ST, ZARÓWNO ORYGINALNE, JAK I IMITACYJNE.
Wprzypadku oryginalnych części poszycia różnica kolorów i dopasowanie nie stanowią problemu. Jednak cena jest często wyższa. Zandri sprzedaje zarówno fabryczne oryginalne części, jak i części repliki. Komponent skutera na każdą kieszeń.
Możeszrównież łatwo wyszukać te uniwersalne części poprzez naszą strukturę menu po lewej stronie sklepu. Możesz także użyć paska wyszukiwania u góry, aby znaleźć części do swojego MGS Symphony ST.