Potrzebujeszczęści do skutera Znen ZN50QT-11?
SkuterZnen to nieco bardziej nieznana marka skuterów w Holandii. Typ Znen ZN50QT-11 to kompaktowy skuter miejski wyposażony w czterosuwowy silnik GY6 pochodzenia chińskiego. Ten skuter Znen jest dość ekonomicznym - i cichym skuterem. Znen ZN50QT-11 to skuter „dużo” za niewielkie pieniądze.
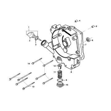
Znajdźczęści do swojego modelu skutera Znen?
Możemydostarczyć praktycznie wszystkie części do Twojego skutera Znen ZN50QT 11. Najpierw wybierz typ, a następnie model, a następnie wyświetl rysunek potrzebny do danych części. Z rysunku można zamówić niezbędne części. Jeśli szukasz części i akcesoriów za pomocą tych rysunków technicznych, zawsze masz gwarancję odpowiednich części do swojego modelu Znen ZN50QT11!
Częścii akcesoria Znen
Dużaliczba części i akcesoriów jest dostępna dla wszystkich różnych typów skuterów Znen. Z tej strony możesz przejść do strony, na której wszystkie części są wygodnie umieszczone, ułożone według rodzaju skutera. W przypadku wszystkich części uniwersalnych możesz przeszukiwać kategorie lub użyć paska wyszukiwania w prawym górnym rogu.


