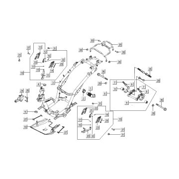
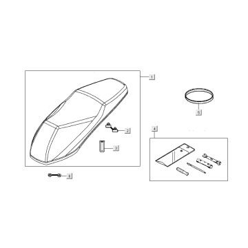
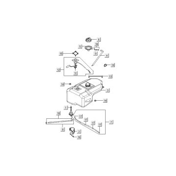
Rysunkitechniczne dla Kymco People S 4-suwowy diament czarny
Kliknijtutaj na rysunkach technicznych lub rozstrzelonym widoku 4-suwowej diamentowej czerni Kymco People S, do ktĂłrej szukasz czÄĆci lub akcesoriĂłw. Rysunki techniczne 4-suwowej diamentowej czerni Kymco People S dajÄ jasny przeglÄ d rĂłĆŒnych pasujÄ cych czÄĆci i akcesoriĂłw. SzukajÄ c swoich czÄĆci, zawsze masz pasujÄ ce czÄĆci do swojego 4-suwowego diamentowego czerni Kymco People S.


