Rysunkitechniczne dla Eagle-Wing Torino czarny krem
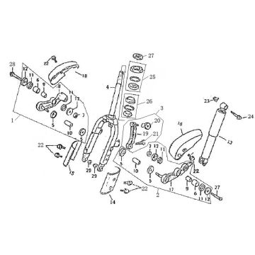
Kliknijtutaj na rysunkach technicznych lub rozstrzelonym widoku czarnej kremowej skutera Eagle-Wing Torino, do ktĂłrego szukasz czÄĆci lub akcesoriĂłw. Rysunki techniczne czarnego kremu Eagle-Wing Torino dajÄ jasny przeglÄ d rĂłĆŒnych pasujÄ cych czÄĆci i akcesoriĂłw. SzukajÄ c swoich czÄĆci, zawsze masz pasujÄ ce czÄĆci do czarnego kremu Eagle-Wing Torino.


