Rysunkitechniczne dla Kreidler Flory Classic czarny
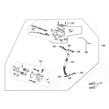
Kliknijtutaj na rysunkach technicznych lub rozstrzelonym widoku czarnej skutera Kreidler Flory Classic, do ktĂłrego szukasz czÄĆci lub akcesoriĂłw. Rysunki techniczne Kreidler Flory Classic black dajÄ jasny przeglÄ d rĂłĆŒnych pasujÄ cych czÄĆci i akcesoriĂłw. WyszukujÄ c swoje czÄĆci, zawsze masz pasujÄ ce czÄĆci do swojego Kreidler Flory Classic black.


