Rysunkitechniczne dla Kymco Super8 4-suwowy z 2009 niebieski
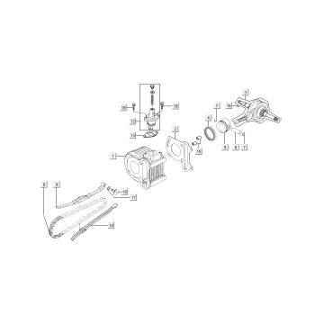
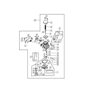
Kliknijtutaj na rysunkach technicznych lub rozstrzelonym widoku Kymco Super8 4-suwowy z 2009 niebieski dla ktĂłrego szukasz czÄĆci lub akcesoriĂłw. Rysunki techniczne 4-suwowego Kymco Super8 z 2009 roku niebieskiego dajÄ jasny przeglÄ d rĂłĆŒnych pasujÄ cych czÄĆci i akcesoriĂłw. SzukajÄ c swoich czÄĆci, zawsze masz odpowiednie czÄĆci do Kymco Super8 4-suwowy z 2009 niebieski.


