Rysunkitechniczne dla Senzo Rivalux 125cc czarny matowy
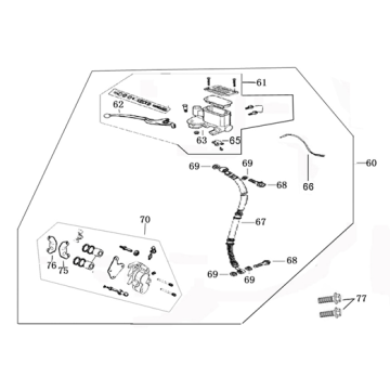
Kliknijtutaj na rysunkach technicznych lub widoku rozstrzelonym skutera matowego czarnego Senzo Rivalux 125cc, do ktĂłrego szukasz czÄĆci lub akcesoriĂłw. Rysunki techniczne Senzo Rivalux 125cc matowa czerĆ dajÄ jasny przeglÄ d rĂłĆŒnych pasujÄ cych czÄĆci i akcesoriĂłw. WyszukujÄ c swoje czÄĆci, zawsze masz pasujÄ ce czÄĆci do swojego Senzo Rivalux 125cc matowa czerĆ.
SenzoRivalux 125cc
SenzoRivalux 125cc, to sportowy skuter firmy Senzo. Z piÄknymi reflektorami i tym, co jest poszycie, uczta dla oczu. Mocny, cichy i pĆynny czterosuwowy silnik GY-6 zapewnia przyjemnÄ jazdÄ. Silnik jest niezawodny i nadaje siÄ zarĂłwno do Euro 95, jak i 98.
DostÄpnekolory Senzo Rivalux 125cc to:
- BiaĆy
- Czarny
- Zielony
MoĆŒewystÄpowaÄ bardzo maĆa rĂłĆŒnica koloru w przypadku elementĂłw poszycia, na przykĆad ze wzglÄdu na ĆwiatĆo sĆoneczne.
CzÄĆciSenzo Rivalux 125cc.
WiÄkszoĆÄczÄĆci rĂłwnieĆŒ zostaĆa sfotografowana! WybierajÄ c oryginalne czÄĆci Senzo, zawsze masz pewnoĆÄ odpowiedniego dopasowania i jakoĆci. CzÄĆci i akcesoria do Senzo Rivalux 125cc poprzez rysunki techniczne. Odpowiednie czÄĆci i akcesoria moĆŒna Ćatwo znaleĆșÄ, przewijajÄ c rysunki. MoĆŒesz takĆŒe nadmuchaÄ rysunki dalej, brzÄczÄ c. Zmniejsza to rĂłwnieĆŒ zuĆŒycie skutera Senzo.
CzÄĆcido Senzo Rivalux 125cc
CzÄĆciSenzo Rivalux 125cc sÄ Ćatwe do znalezienia dziÄki naszym rysunkom technicznym. PrzewijajÄ c, nastÄpnie powiÄkszajÄ c, a nastÄpnie klikajÄ c zdjÄcie. KorzystajÄ c z czÄĆci i akcesoriĂłw na rysunkach, moĆŒesz mieÄ pewnoĆÄ, ĆŒe dopasowanie wynosi zawsze 100%, a zuĆŒycie skutera jest najmniejsze.
Senzoskutery
OprĂłczwszystkich czÄĆci Senzo Rivalux 125cc, ktĂłre moĆŒna znaleĆșÄ na powyĆŒszych rysunkach technicznych, mamy rĂłwnieĆŒ rĂłĆŒne czÄĆci do wielu innych typĂłw marki Senzo, ktĂłre moĆŒna znaleĆșÄ na naszych rysunkach technicznych. PomyĆl o:
JeĆlinie moĆŒesz znaleĆșÄ swojej czÄĆci, skontaktuj siÄ z naszym zespoĆem obsĆugi klienta. ChÄtnie Ci pomoĆŒemy!


