Rysunkitechniczne Wangye Maple II Euro2 brązowy
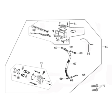
Kliknijtutaj na rysunkach technicznych lub rozstrzelonym widoku brązowego skutera Wangye Maple II Euro2, do którego szukasz części lub akcesoriów. Rysunki techniczne Wangye Maple II Euro2 brown dają jasny przegląd różnych pasujących części i akcesoriów. Wyszukując swoje części, zawsze masz odpowiednie części do swojego Wangye Maple II Euro2 brown.


