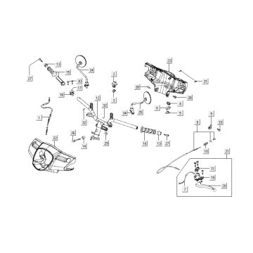
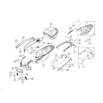
Rysunkitechniczne dla Kymco Like 4-suwowy biały
Kliknijtutaj rysunki techniczne lub widok rozstrzelony Kymco Like 4-suwowy biały, do którego szukasz części lub akcesoriów. Rysunki techniczne 4-suwowego białego Kymco Like dają jasny przegląd różnych pasujących części i akcesoriów. Wyszukując swoje części, zawsze masz odpowiednie części do swojego 4-suwowego białego Kymco Like.


