Rysunkitechniczne Berini Dolce Vita matowy antracyt
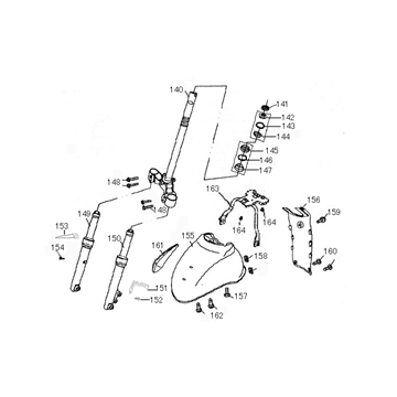
Kliknijtutaj na rysunkach technicznych lub rozstrzelonym widoku skuter antracytowy Berini Dolce Vita mat, do ktĂłrego szukasz czÄĆci lub akcesoriĂłw. Rysunki techniczne maty Berini Dolce Vita antracyt dajÄ jasny przeglÄ d rĂłĆŒnych pasujÄ cych czÄĆci i akcesoriĂłw. WyszukujÄ c swoje czÄĆci, zawsze masz odpowiednie czÄĆci do maty Berini Dolce Vita antracyt.


