Rysunkitechniczne dla Senzo Rivalux S brąz
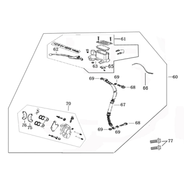
Kliknijtutaj na rysunki techniczne lub widok rozstrzelony skutera brązowego Senzo Rivalux S, do którego szukasz części lub akcesoriów. Rysunki techniczne brązu Senzo Rivalux S dają jasny przegląd różnych pasujących części i akcesoriów. Wyszukując swoje części, zawsze masz pasujące części do brązu Senzo Rivalux S..
Częścizamienne i akcesoria do Senzo Rivalux S.
Przewijaniei/lub powiększanie ułatwia dotarcie do właściwej oryginalnej części lub akcesoriów AGM. Senzo Rivalux S poprzez rysunki techniczne. Dzięki zastosowaniu oryginalnych części zagwarantowane jest prawidłowe dopasowanie.
KolorySenzo Rivalux S
- Pantone niebieski
- Ciemny niebieski
- Czerwony
- Płaska mata antracyt
- pomarańczowy
- Czarny
- Brąz
Możliwe, że występują bardzo małe różnice kolorów w częściach cienia, na przykład ze względu na wpływ światła słonecznego lub wiek farby.
Danetechniczne Senzo Rivalux S.
SenzoVespelini S jest podobnym do Vespa S. Wyposażony w czterosuwowy silnik typu GY-6. Ten silnik jest odpowiedni zarówno dla Euro 95, jak i 98. Senzo Rivalux S jest cichy i ekonomiczny. Skuter jest odpowiedni dla dwóch osób, a jego obsługa jest bardzo neutralna. Ten Senzo Rivalux S jest niedrogą alternatywą, szczególnie ze względu na mocny silnik 4-suwowy.
Częścizamienne do Senzo Rivalux S
CzęściSenzo Rivalux S są łatwe do znalezienia dzięki naszym rysunkom technicznym. Przewijając, następnie powiększając, a następnie klikając zdjęcie. Korzystając z części i akcesoriów na rysunkach, możesz mieć pewność, że dopasowanie wynosi zawsze 100%, a zużycie skutera jest najmniejsze.
Senzoskutery
Opróczwszystkich części Senzo Rivalux S, które można znaleźć na powyższych rysunkach technicznych, mamy również różne części do wielu innych typów marki Senzo, które można znaleźć na naszych rysunkach technicznych. Pomyśl o:
Jeślinie możesz znaleźć swojej części, skontaktuj się z naszym zespołem obsługi klienta. Chętnie Ci pomożemy!


