Częścii akcesoria do ślimaka Znen Snail/ZN50QT-A
Kliknijtutaj poprawną wersję skutera Znen Snail/ZN50QT-A, do którego szukasz części lub akcesoriów. Rysunki techniczne ślimaka Znen Snail/ZN50QT-A dają jasny przegląd różnych pasujących części i akcesoriów. Oryginalne części Znen Snail/ZN50QT-A pasują oczywiście najlepiej.
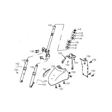
Częścido Znen Snail/ZN50QT-A
Do konserwacji Twojego Znen Snail bardzo ważne jest, aby używać dobrze dopasowanych części, co zapobiega niepotrzebnemu zużyciu i może spowodować wiele niepotrzebnych kosztów. Powyższe są modele typu Ślimak, które mamy rysunki techniczne. Najpierw wybierz model, a następnie spójrz na rysunek, który Twoim zdaniem potrzebujesz. Jeśli szukasz części w ten sposób, zawsze masz gwarancję odpowiednich części i akcesoriów do Twojego Znen Snail.
HulajnogaZnen Snail
Czterosuwowyskuter Znen Snail przyciąga wzrok! Klasycznie wyglądający model wyposażony w silnik GY6 pochodzenia chińskiego. Ten silnik nadaje Znenowi ekonomiczny, ale także cichy charakter. Ślimak działa na benzynie bezołowiowej. Białe opony ścienne świetnie wyglądają na Ślimak; prawdziwa zabawa skuter!
Częścii kolory
Ten typ występuje w wielu kolorach. Kolory, które są nam znane:


