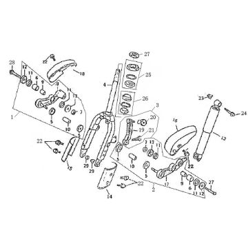
Rysunkitechniczne AGM Retro na 2013 czarny
Kliknijtutaj na rysunkach technicznych lub widoku rozstrzelonym AGM Retro na 2013 czarny skuter, dla ktĂłrego szukasz czÄĆci lub akcesoriĂłw. Rysunki techniczne AGM Retro-50 dajÄ jasny przeglÄ d rĂłĆŒnych pasujÄ cych czÄĆci i akcesoriĂłw. SzukajÄ c swoich czÄĆci, zawsze masz odpowiednie czÄĆci do AGM Retro na 2013 czarny.


