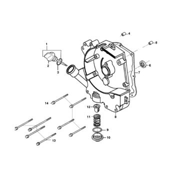
Rysunkitechniczne dla Berini Speedy 4-suwowy
Kliknijtutaj rysunki techniczne lub widok rozstrzelony skutera 4-suwowego Berini Speedy, do ktĂłrego szukasz czÄĆci lub akcesoriĂłw. Rysunki techniczne 4-suwowego Berini Speedy dajÄ jasny przeglÄ d rĂłĆŒnych pasujÄ cych czÄĆci i akcesoriĂłw. SzukajÄ c swoich czÄĆci, zawsze masz odpowiednie czÄĆci do swojego 4-suwowego Berini Speedy.


