Rysunkitechniczne maty Fosti Touring ciemnoniebieski
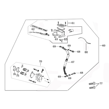
Kliknijtutaj na rysunkach technicznych lub rozstrzelonym widoku matowego ciemnoniebieskiego skutera Fosti Touring, do ktĂłrego szukasz czÄĆci lub akcesoriĂłw. Rysunki techniczne maty Fosti Touring w kolorze ciemnoniebieskim dajÄ jasny przeglÄ d rĂłĆŒnych pasujÄ cych czÄĆci i akcesoriĂłw. SzukajÄ c swoich czÄĆci, zawsze masz pasujÄ ce czÄĆci do maty Fosti Touring ciemnoniebieski.
            

