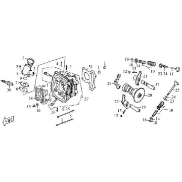
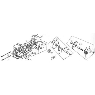
Częścii akcesoria do Pronto Amaro 125cc
Kliknijtutaj na właściwej wersji skutera Pronto Amaro 125cc, do którego szukasz części lub akcesoriów. Rysunki techniczne Pronto Amaro 125cc dają jasny przegląd różnych pasujących części i akcesoriów. Oczywiście oryginalne części Pronto Amaro 125cc pasują najlepiej.
ProntoAmaro.
Korzystającz powyższych rysunków, istnieje szereg zalet:
- Zawsze dopasuj się w 100%
- Szansa na zużycie jest zerowa
- Szybko i łatwo znaleźć
- Znajdź części, których nie znasz nazwy
ProntoAmaro jest wyposażony w mocny czterosuwowy silnik o pojemności 125 cm3, który oprócz tego, że jest bardzo ekonomiczny, jest również cichy. Oprócz doskonałej obsługi, ten skuter ma również wyjątkowo szeroką kierownicę, która zapewnia jeszcze lepszą obsługę skutera. Należy pamiętać, że ten skuter jest dostępny tylko w kolorze czarnym i nadaje się zarówno do Euro 98, jak i Euro 95.


