Częścii akcesoria do Pronto Amaro
Kliknijtutaj, aby zapoznać się z poprawną wersją skutera Pronto Amaro, do którego szukasz części lub akcesoriów. Rysunki techniczne Pronto Amaro dają jasny przegląd różnych pasujących części i akcesoriów. Oczywiście oryginalne części Pronto Amaro pasują najlepiej.
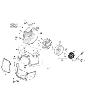
Częściza pomocą rysunku technicznego do Pronto Amaro
Powyżejmożna zobaczyć modele typu Retro, których mamy rysunki techniczne. Najpierw wybierz model, a następnie spójrz na rysunek, który Twoim zdaniem potrzebujesz. Jeśli szukasz części w ten sposób, zawsze masz gwarancję dopasowania części i akcesoriów do swojego Pronto Amaro. Do konserwacji Pronto Amaro bardzo ważne jest, aby używać dobrze dopasowanych części, co zapobiega niepotrzebnemu zużyciu i pozwala zaoszczędzić wiele niepotrzebnych kosztów.
Częścii kolory
Tentyp występuje w wielu różnych kolorach. Kolory, które są nam znane:
•Jasnoniebieski
•Smokey
•Antracyt
•Czarny
•Biały
Niejest to jednak gwarancja, że zamawiając nową część okapu w tym samym kolorze, będzie ona dokładnie tego samego koloru co pokrowce na skuterze. Kolor może czasem być nieco inny.
HulajnogaPronto Amaro
ProntoAmaro jest szeroko sprzedawany i głównie do celów rekreacyjnych. To bardzo fajny „zabawny” skuter! Czterosuwowy Pronto Amaro ma klasyczny wygląd. Retro jest wyposażony w silnik GY6, dzięki czemu nadaje się do tankowania Euro 95. Dzięki zastosowaniu dużych chromowanych części i szerokiej kierownicy, retro charakter tego skutera jest jeszcze bardziej podkreślony!


