Rysunkitechniczne Generic Xor white 2009 2-suwowy
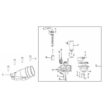
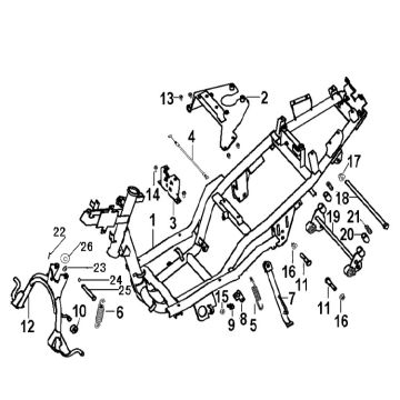
Kliknijtutaj na rysunkach technicznych lub widoku rozstrzelonym Generic Xor white 2009 2-suwowy skuter, dla ktĂłrego szukasz czÄĆci lub akcesoriĂłw. Rysunki techniczne Generic Xor white 2009 2-suwowy dajÄ jasny przeglÄ d rĂłĆŒnych pasujÄ cych czÄĆci i akcesoriĂłw. WyszukujÄ c swoje czÄĆci, zawsze masz odpowiednie czÄĆci do swojego Generic Xor white 2009 2-suwowy.
