Częścizamienne i akcesoria do Znen Grand Retro 125cc
Kliknijtutaj na prawej wersji Znen Grand Retro 125cc dla której szukasz części lub akcesoriów. Rysunki techniczne Znen Grand Retro 125cc dają jasny przegląd różnych pasujących części i akcesoriów. Oryginalne części Znen Grand Retro 125cc pasują oczywiście najlepiej.
Częścido Twojego Znen Grand Retro 125cc.
Zamawianieczęści i akcesoriów za pomocą naszych rysunków ma wiele zalet, a mianowicie:
- Szybko i łatwo znaleźć
- Zawsze dopasuj się w 100%
- Najmniejsza szansa na zużycie
Należypamiętać, że ten skuter jest dostępny tylko w kolorze czarnym, co oznacza, że powyższe części są również dostępne tylko w kolorze czarnym.
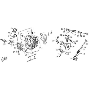
SilnikZnen Grand Retro 125cc.
Istniejewiele aspektów, które sprawiają, że ten motocykl jest tak wyjątkowy, a mianowicie:
- Ekonomiczny
- Cichy
- Potężny
- Nadaje się do Euro 98
- Nadaje się do euro 95
Jegowyjątkowo szeroka kierownica i piękny wygląd retro dodają jeszcze więcej wrażeń z jazdy.


