Częścido Santini Firenze
Kliknijtutaj na właściwej wersji skutera Santini Firenze, do którego szukasz części lub akcesoriów. Rysunki techniczne Santini Firenze dają jasny przegląd różnych pasujących części i akcesoriów. Oczywiście oryginalne części Santini Firenze pasują najlepiej.
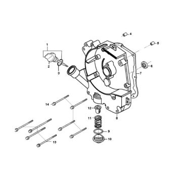
Częściza pomocą rysunku technicznego do Santini Firenze
Powyżejmożna zobaczyć modele typu Retro, których mamy rysunki techniczne. Najpierw wybierz model, a następnie spójrz na rysunek, który Twoim zdaniem potrzebujesz. Jeśli szukasz części w ten sposób, zawsze masz gwarancję dopasowania części i akcesoriów do Twojego Santini Firenze. Do konserwacji Santini Firenze bardzo ważne jest, aby używać dobrze dopasowanych części, co zapobiega niepotrzebnemu zużyciu i pozwala zaoszczędzić wiele niepotrzebnych kosztów.
Częścii kolory
Tentyp występuje w wielu różnych kolorach. Kolory, które są nam znane:
•Biały
•Czarny
•Smokey
•Antracyt
•Jasnoniebieski
Kolormoże czasem być nieco inny. Nie jest to jednak gwarancja, że zamawiając nową część okapu w tym samym kolorze, będzie ona dokładnie tego samego koloru co pokrowce na skuterze.
HulajnogaSantini Firenze
CzterosuwowySantini Firenze ma klasyczny wygląd. Retro jest wyposażony w silnik GY6, dzięki czemu nadaje się do tankowania Euro 95. Dzięki zastosowaniu dużych chromowanych części i szerokiej kierownicy, retro charakter tego skutera jest jeszcze bardziej podkreślony! Santini Firenze jest szeroko sprzedawany i głównie do celów rekreacyjnych. To bardzo fajny „zabawny” skuter!


