Rysunkitechniczne szampana China GT
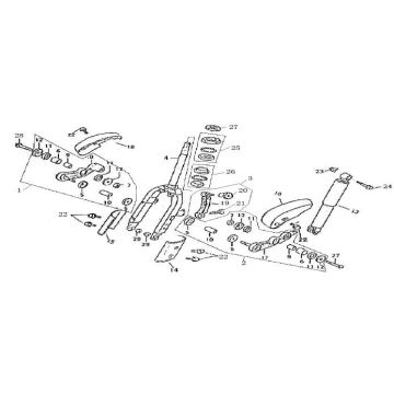
Kliknijtutaj na rysunkach technicznych lub rozstrzelonym widoku skutera szampana China GT, do ktĂłrego szukasz czÄĆci lub akcesoriĂłw. Rysunki techniczne szampana China GT dajÄ jasny przeglÄ d rĂłĆŒnych pasujÄ cych czÄĆci i akcesoriĂłw. SzukajÄ c swoich czÄĆci, zawsze masz odpowiednie czÄĆci do swojego szampana China GT.


