Rysunkitechniczne Rover GT czerwony
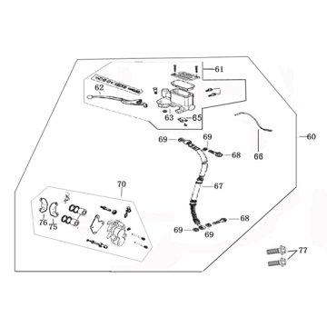
Kliknijtutaj na rysunkach technicznych lub rozstrzelonym widoku czerwonego skutera Rover GT, do ktĂłrego szukasz czÄĆci lub akcesoriĂłw. Rysunki techniczne Rover GT red dajÄ jasny przeglÄ d rĂłĆŒnych pasujÄ cych czÄĆci i akcesoriĂłw. WyszukujÄ c swoje czÄĆci, zawsze masz pasujÄ ce czÄĆci do swojego Rover GT red.


