Rysunkitechniczne dla Lintex Retro HT50QT-29 ciemnoniebieski
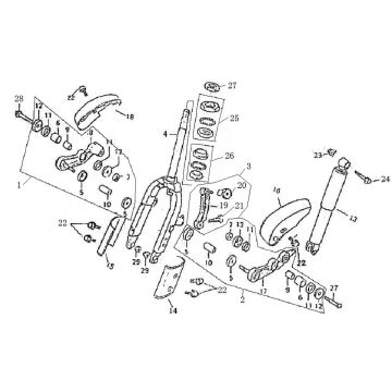
Kliknijtutaj na rysunkach technicznych lub widok rozstrzelony ciemnoniebieskiego skutera Lintex Retro HT50QT-29, do ktĂłrego szukasz czÄĆci lub akcesoriĂłw. Rysunki techniczne ciemnoniebieskiego Lintex Retro HT50QT-29 dajÄ jasny przeglÄ d rĂłĆŒnych pasujÄ cych czÄĆci i akcesoriĂłw. SzukajÄ c swoich czÄĆci, zawsze masz pasujÄ ce czÄĆci do swojego Lintex Retro HT50QT-29 ciemnoniebieski.


