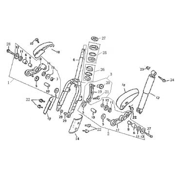
Rysunkitechniczne kremu do kawy Lintex Retro HT50QT-29
Kliknijtutaj na rysunkach technicznych lub widok rozstrzelony skutera do kawy Lintex Retro HT50QT-29, do ktĂłrego szukasz czÄĆci lub akcesoriĂłw. Rysunki techniczne kremu do kawy Lintex Retro HT50QT-29 dajÄ jasny przeglÄ d rĂłĆŒnych pasujÄ cych czÄĆci i akcesoriĂłw. SzukajÄ c swoich czÄĆci, zawsze masz odpowiednie czÄĆci do kremu do kawy Lintex Retro HT50QT-29


