Rysunkitechniczne dla Generic Xor stroke 2009 2-suwowy
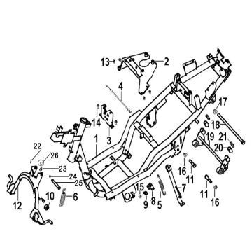
Kliknijtutaj na rysunkach technicznych lub rozstrzelonym widoku 2-suwowego skutera Generic Xor stroke 2009, do ktĂłrego szukasz czÄĆci lub akcesoriĂłw. Rysunki techniczne Generic Xor stroke 2009 2-suwowy dajÄ jasny przeglÄ d rĂłĆŒnych pasujÄ cych czÄĆci i akcesoriĂłw. WyszukujÄ c swoje czÄĆci, zawsze masz odpowiednie czÄĆci do 2-suwowego Generic Xor stroke 2009.
