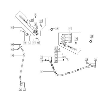
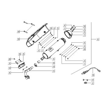
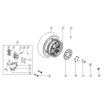
Częścizamienne i akcesoria do Kymco Downtown
Kliknijtutaj, aby znaleźć odpowiednią wersję Kymco Downtown, dla której szukasz części lub akcesoriów. Rysunki techniczne Kymco Downtown dają jasny przegląd różnych pasujących części i akcesoriów. Oczywiście oryginalne części Kymco pasują najlepiej.


