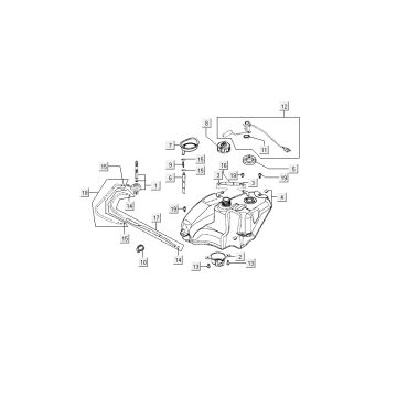
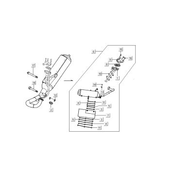
Rysunkitechniczne dla Kymco Super9 LC 2-suwowy nowy model matowy czarno-srebrny
Kliknijtutaj na rysunkach technicznych lub widok rozstrzelony Kymco Super9 LC 2-suwowy nowy model matowy czarno-srebrny, do ktĂłrego szukasz czÄĆci lub akcesoriĂłw. Rysunki techniczne nowego modelu 2-suwowego Kymco Super9 LC, matowej czerni i srebra, dajÄ jasny przeglÄ d rĂłĆŒnych pasujÄ cych czÄĆci i akcesoriĂłw. SzukajÄ c swoich czÄĆci, zawsze masz odpowiednie czÄĆci do swojego 2-suwowego nowego modelu Kymco Super9 LC, matowy czarny i srebrny.


