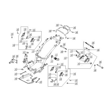
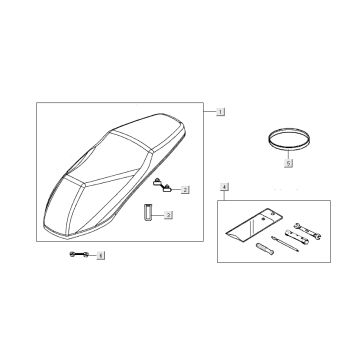
Rysunkitechniczne dla Kymco People S 4-suwowy Ciemnoszary
Kliknijtutaj na rysunkach technicznych lub rozstrzelonym widoku 4-suwowego Kymco People S Dark Grey, do ktĂłrego szukasz czÄĆci lub akcesoriĂłw. Rysunki techniczne 4-suwowego Dark Grey Kymco People S dajÄ jasny przeglÄ d rĂłĆŒnych pasujÄ cych czÄĆci i akcesoriĂłw. SzukajÄ c swoich czÄĆci, zawsze masz pasujÄ ce czÄĆci do swojego 4-suwowego ciemnoszarego Kymco People S.


