Rysunkitechniczne dla Giantco Grand Venus 125cc
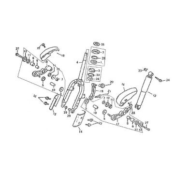
Kliknijtutaj na rysunkach technicznych lub rozstrzelonym widoku skutera Giantco Grand Venus 125cc, do ktĂłrego szukasz czÄĆci lub akcesoriĂłw. Rysunki techniczne Giantco Grand Venus 125cc dajÄ jasny przeglÄ d rĂłĆŒnych pasujÄ cych czÄĆci i akcesoriĂłw. SzukajÄ c swoich czÄĆci, zawsze masz odpowiednie czÄĆci do swojego Giantco Grand Venus 125cc.
GiantcoVenus I.
Tenskuter to piÄkny retro skuter z bardzo ekonomicznym i cichym silnikiem, ktĂłry pracuje na benzynie bezoĆowiowej. WyposaĆŒony w silnik GY-6 pochodzenia chiĆskiego. To, co nadaje temu skuterowi wyglÄ d retro, to oczywiĆcie kaptury, ale z pewnoĆciÄ opony âbiaĆo-Ćcienneâ. WiÄc moĆŒna go nazwaÄ prawdziwÄ zabawnÄ hulajnogÄ . JeĆli potrzebujesz czÄĆci lub akcesoriĂłw do swojej Wenus I., najĆatwiej je znaleĆșÄ na rysunkach. Nie tylko znalazĆeĆ go tak szybko, jak to moĆŒliwe, jest rĂłwnieĆŒ bardzo przejrzysty i przyjazny dla uĆŒytkownika. Ponadto, korzystajÄ c z rysunkĂłw, moĆŒesz mieÄ pewnoĆÄ, ĆŒe dopasowanie wynosi zawsze 100%. Zmniejsza to ryzyko ponownego zuĆŒycia.
KoloryWenus I.
Tentyp skutera jest dostÄpny w nastÄpujÄ cych kolorach:
- Metaliczny brÄ zowy
- Czarny
- Dym
- Niebieski
- Cream Mat Antracyt
NaleĆŒypamiÄtaÄ, ĆŒe kolor zamĂłwionych okapĂłw moĆŒe co najmniej rĂłĆŒniÄ siÄ od wĆasnych okapĂłw.


