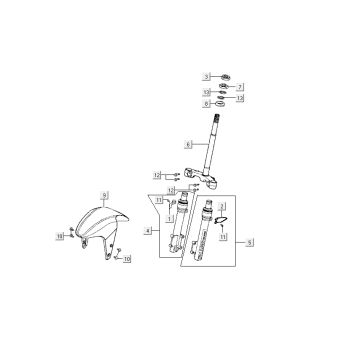
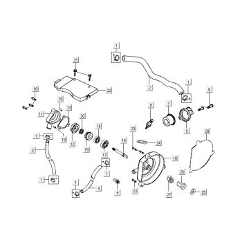
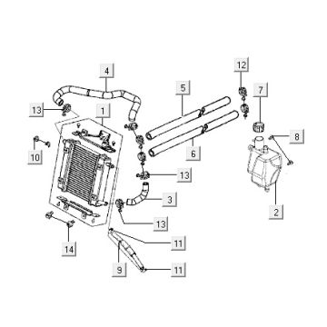
Rysunkitechniczne dla Kymco Super9 2t lc o.m matowy czarno-srebrny
Kliknijtutaj na rysunkach technicznych lub rozstrzelonym widoku Kymco Super9 2t lc o.m matowy czarno-srebrny, do ktĂłrego szukasz czÄĆci lub akcesoriĂłw. Rysunki techniczne Kymco Super9 2t lc o.m. matowy czarno-srebrny dajÄ jasny przeglÄ d rĂłĆŒnych pasujÄ cych czÄĆci i akcesoriĂłw. SzukajÄ c swoich czÄĆci, zawsze masz odpowiednie czÄĆci do swojego Kymco Super9 2t lc o.m. matowy czarno-srebrny.


