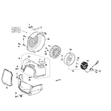
Częścii akcesoria do BTC Grande Retro
Kliknijtutaj, aby zapoznać się z poprawną wersją skutera BTC Grande Retro, do którego szukasz części lub akcesoriów. Rysunki techniczne BTC Grande Retro dają jasny przegląd różnych pasujących części i akcesoriów. Oczywiście części BTC Grande Retro pasują najlepiej.
Skuterretro BTC Grande
Dziękiszerokiemu wykorzystaniu chromowanych części i szerokiej kierownicy, retro charakter tego skutera podkreśla się jeszcze bardziej! BTC Grande Retro 4-suwowy ma klasyczny wygląd. Retro jest wyposażony w silnik GY6, więc nadaje się do tankowania Euro 95, BTC Grande Retro jest szeroko sprzedawany i głównie do celów rekreacyjnych. To bardzo fajny „zabawny” skuter!
Częścii kolory
Tentyp występuje w wielu różnych kolorach. Kolory, które są nam znane:
•Smokey
•Antracyt
•Czarny
•Biały
•Jasnoniebieski
Niejest to jednak gwarancja, że zamawiając nową część okapu w tym samym kolorze, będzie ona dokładnie tego samego koloru co pokrowce na skuterze. Kolor może czasem być nieco inny.


