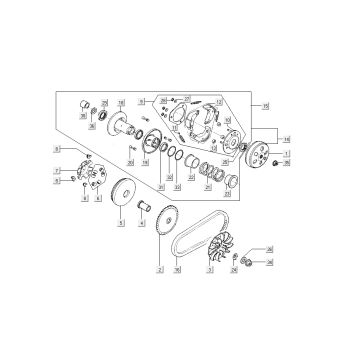
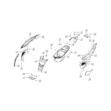
Rysunkitechniczne dla Kymco Super8 4-suwowy (2007-2009) niebieski żółty
Kliknijtutaj na rysunkach technicznych lub widok rozstrzelony Kymco Super8 4-suwowy (2007-2009) niebieski żółty, dla którego szukasz części lub akcesoriów. Rysunki techniczne 4-suwowego Kymco Super8 (2007-2009) w kolorze niebiesko-żółtym dają jasny przegląd różnych pasujących części i akcesoriów. Wyszukując swoje części, zawsze masz odpowiednie części do Kymco Super8 4-suwowy (2007-2009) niebieski żółty.


