Rysunkitechniczne AGM VX50S czarny
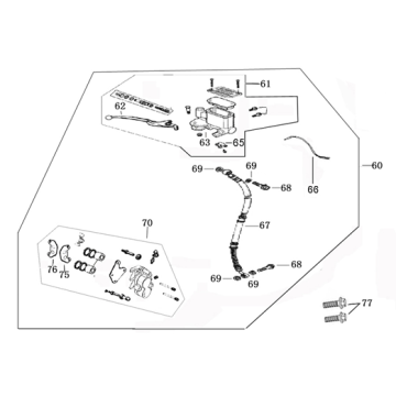
Kliknijtutaj rysunki techniczne lub widok rozstrzelony czarnego skutera AGM VX50S, do ktĂłrego szukasz czÄĆci lub akcesoriĂłw. Rysunki techniczne AGM VX50S dajÄ jasny przeglÄ d rĂłĆŒnych pasujÄ cych czÄĆci i akcesoriĂłw. WyszukujÄ c swoje czÄĆci, zawsze masz odpowiednie czÄĆci do swojego AGM VX50S w kolorze czarnym.


