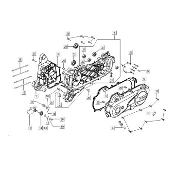
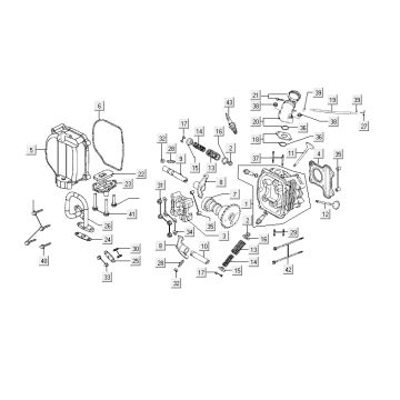
Rysunkitechniczne dla Kymco Agility Fat 12' 4-suwowy dąb metaliczny
Kliknijtutaj na rysunkach technicznych lub rozstrzelonym widoku 4-suwowego dębu metalicznego Kymco Agility Fat 12', do którego szukasz części lub akcesoriów. Rysunki techniczne 4-suwowego dębu metalicznego Kymco Agility Fat 12' dają jasny przegląd różnych pasujących części i akcesoriów. Wyszukując swoje części, zawsze masz pasujące części do 4-suwowego dębu metalicznego Kymco Agility Fat 12 '.
