Rysunkitechniczne dla Kymco Super8 4-suwowy (2007-2009) czerwony czarny
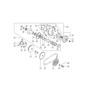
Kliknijtutaj na rysunki techniczne lub widok rozstrzelony Kymco Super8 4-suwowy (2007-2009) czerwony czarny, dla ktĂłrego szukasz czÄĆci lub akcesoriĂłw. Rysunki techniczne 4-suwowego Kymco Super8 (2007-2009) czerwono-czarnego dajÄ jasny przeglÄ d rĂłĆŒnych pasujÄ cych czÄĆci i akcesoriĂłw. SzukajÄ c swoich czÄĆci, zawsze masz odpowiednie czÄĆci do Kymco Super8 4-suwowy (2007-2009) czerwony czarny.


