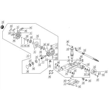
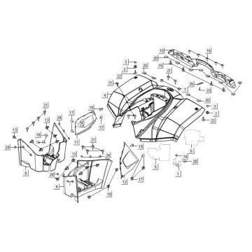
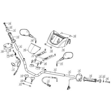
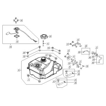
Rysunkitechniczne dla Kymco MXU 300R
Kliknijtutaj na rysunki techniczne lub widok rozstrzelony quada Kymco MXU 300R, do ktĂłrego szukasz czÄĆci lub akcesoriĂłw. Rysunki techniczne Kymco MXU 300R dajÄ jasny przeglÄ d rĂłĆŒnych pasujÄ cych czÄĆci i akcesoriĂłw. WyszukujÄ c swoje czÄĆci, zawsze masz odpowiednie czÄĆci do swojego Kymco MXU 300R.


