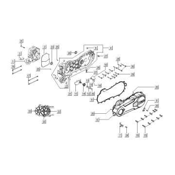
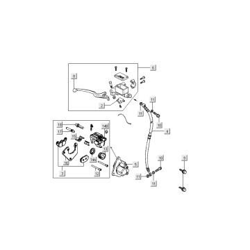
Rysunkitechniczne dla Kymco Super 8 Street 4-suwowy niebieski
Kliknijtutaj na rysunkach technicznych lub rozstrzelonym widoku Kymco Super 8 Street 4-suwowy niebieski, do ktĂłrego szukasz czÄĆci lub akcesoriĂłw. Rysunki techniczne 4-suwowego niebieskiego Kymco Super 8 Street dajÄ jasny przeglÄ d rĂłĆŒnych pasujÄ cych czÄĆci i akcesoriĂłw. SzukajÄ c swoich czÄĆci, zawsze masz pasujÄ ce czÄĆci do swojego Kymco Super 8 Street 4-suwowy niebieski.


