Rysunkitechniczne AGM VX 50cc czarny mat
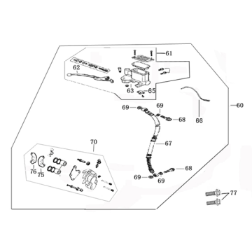
Kliknijtutaj na rysunki techniczne lub widok rozstrzelony skutera AGM VX 50cc matowy czarny, do ktĂłrego szukasz czÄĆci lub akcesoriĂłw. Rysunki techniczne AGM VX-50 dajÄ jasny przeglÄ d rĂłĆŒnych pasujÄ cych czÄĆci i akcesoriĂłw. WyszukujÄ c swoje czÄĆci, zawsze masz odpowiednie czÄĆci do swojego AGM VX 50cc matowa czerĆ.


