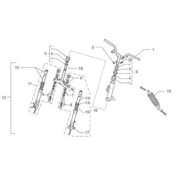
Rysunkitechniczne dla Beta Ark-k AC czarno-szary 2008 2-suwowy 25
Kliknijtutaj na rysunkach technicznych lub rozstrzelonym widoku Beta Ark-k AC czarno-szary 2008 2-suwowy 25 skuter, dla ktĂłrego szukasz czÄĆci lub akcesoriĂłw. Rysunki techniczne Beta Ark-k AC czarno-szary 2008 2-suwowy 25 dajÄ jasny przeglÄ d rĂłĆŒnych pasujÄ cych czÄĆci i akcesoriĂłw. SzukajÄ c swoich czÄĆci, zawsze masz odpowiednie czÄĆci do swojego Beta Ark-k AC czarno-szary 2008 2-suwowy 25.


